Descripción
Sensor Di-soric Oev 40 K 2000 P3k-tsl – 24vdc – 200ma – Pnp
Technical data (typ.) +20°C, 24 V DC
Service voltage 10 … 35 V DC
No-load current (max.) 20 mA
Insulation voltage endurance 500 V
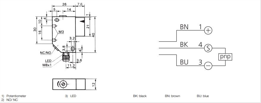
Housing dimensions 40 x 34 x 12 mm
Housing length 34 mm
Housing height 40 mm
Housing width 12 mm
Housing material Polyamide (glass-fiber reinforced)
Protection class III, operation on protective low voltage
Operating principle Through-beam sensor
Evaluation digital
Design Cuboid design
Switching output pnp, 200 mA, NO/NC, switchable
Voltage drop (max.) 2 V
Ambient light immunity 30 kLx
Range 0 … 2000 mm
Switching hysteresis (max.) < 2 mm
Sensitivity adjustment Potentiometer
Switching frequency 300 Hz
Release time 2.0 … 3 ms








Valoraciones
No hay valoraciones aún.