Descripción
Sensor Magnetico Pistón Di-soric Mzert 17 Psk Tssl – Pnp
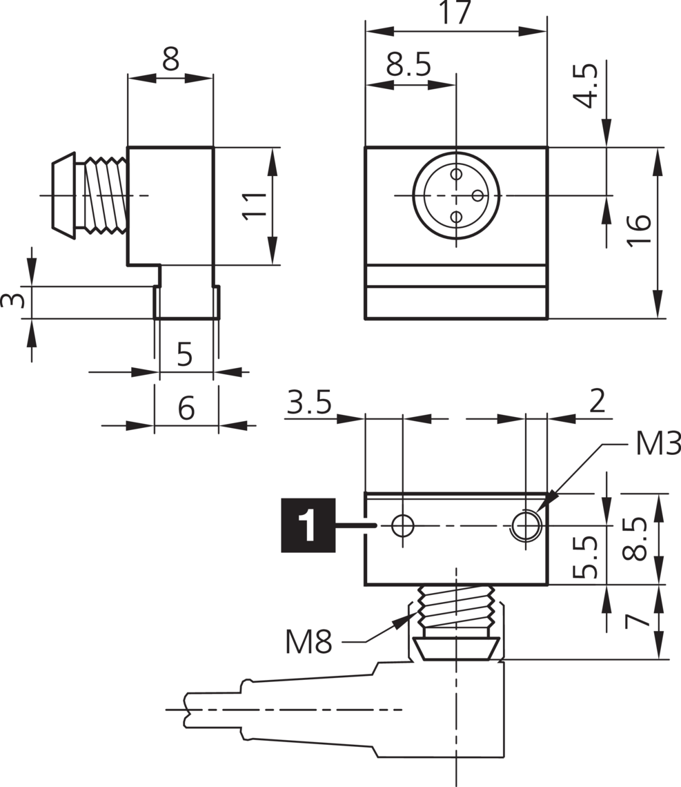
Unsere Zylindersensoren für die T-Nut sind für alle gängigen Pneumatikzylinder mit eingebauten Magneten konzipiert. Die Sensoren arbeiten verschleißfrei und bieten somit ein hohes Maß an Betriebssicherheit und Zuverlässigkeit.
- Für Pneumatikzylinder mit T-Nut
- Metallgehäuse
- Steckverbinder M8
- Vollelektronisch
- Hohe Reproduzierbarkeit
- Hohe Schutzart
Strombelastbarkeit
200 mA, kurzschlussfest, verpolgeschützt
Betriebsspannung
10 … 30 V DC
Leerlaufstrom (max.)
10 mA
Isolationsspannungsfestigkeit
500 V
Zylindernut
T-Nut, seitliches Einschieben in die Nut
Befestigung
Klemmschraube (Innensechskant SW 1,5 mm)
Gehäusematerial
Zinkdruckguss
Schutzklasse
III, Betrieb an Schutzkleinspannung
Schaltausgang
pnp, 200 mA, NO
Spannungsfall (max.)
2 V
Reproduzierbarkeit
< 0,1 mm
Anzeige
LED gelb – Ausgangssignal
Schaltfrequenz
1000 Hz
Umgebungstemperatur Betrieb
-25 … +70 °C
Schutzart
IP 67
Anschluss
Stecker, M8, 3-polig
Anschlusskabel
TK …








Valoraciones
No hay valoraciones aún.